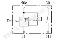
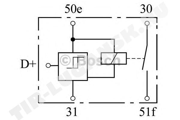
Реле стартера ВО 0331801300
/id 000147325
Номер ТМЦ:
0 331 801 300
Производитель:
Bosch
Наличие товара и цену уточняйте у наших менеджеров.
